Каталог / Оборудование из Китая / Система аэрации Aeros A200S для бисквитного теста
Система аэрации Aeros A200S для бисквитного теста
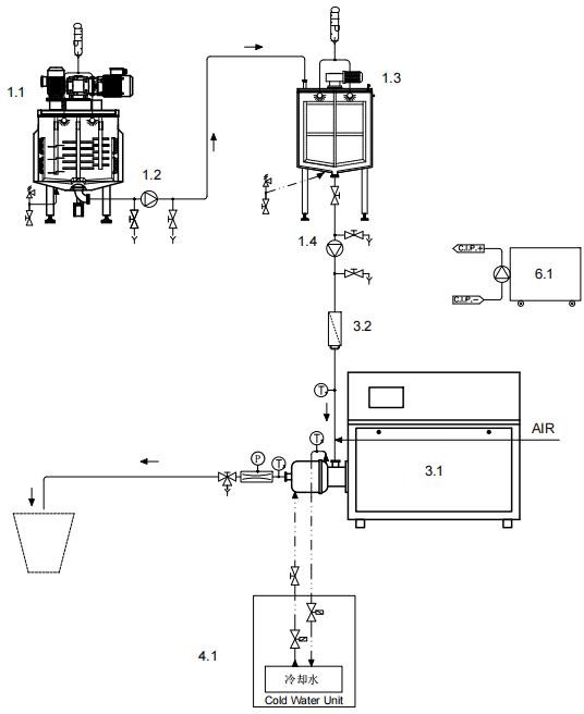
Схема производственного процесса
Характеристики оборудования
Применение: для приготовления бисквита
Производительность: 400 кг/час
Плотность теста на входе: ± 1,0 кг/л
Плотность теста на выходе: ± 0,5 кг/л
Примечание: необходимо предоставить фактическую рецептуру, чтобы подтвердить соответствие предлагаемого оборудования предъявляемым требованиям.
| Поз. | Описание оборудования / модель | кол-во | Изображение |
| 1 |
Бак с водяной рубашкой для предварительного смешивания емкостью 350 л с перекачивающим насосом 2T (лопастной насос)Изготовлен из нержавеющей стали SUS304, объем 350 л.Один низкоскоростной привод с мешалкой и скребком для стенок, высокоскоростной дозатор с одним приводом. Частотно-управляемый привод (марки SEW) с регулируемой скоростью. Бак оснащен пневматическим клапаном для слива теста на дне. Процесс управляется ПЛК Siemens с помощью панели управления. Бак оснащен крышкой и защитным кожухом, откидной крышкой и устройствами безопасности. Односкоростной привод насоса (марки SEW), управляемый с помощью панели управления. Насос с точкой подключения системы мойки CIP / слива. |
1 |
|
| 2 | Буферный бак с водяной рубашкой емкостью 400 л с главным подающим насосом типа 031 (винтовой насос)Изготовлен из нержавеющей стали SUS304, объем 400 л.Стенки бака с водяной рубашкой. Бак оснащен увеличенным выпускным отверстием для вязкого теста. С односкоростной мешалкой и приводом (марки SEW), управляемым с помощью панели управления. Бак оснащен крышкой и защитным кожухом. Прямой привод насоса (марки SEW) с частотным управлением с помощью панели управления. Насос с точкой подключения системы мойки CIP / слива. |
1 |
|
| 3 | Аэратор непрерывного действия Aeros типа A200SСмесительная головка из нержавеющей стали SUS304 и зубы в роторе и статоре. Статор смесительной головки снабжен водяной рубашкой для охлаждения или нагрева. Двойное механическое уплотнение.Пневматический регулятор давления смесительной головки. Прямой привод смесительной головки. Регулировка скорости вращения смесительной головки с частотным управлением. Ручное дозирование воздуха с помощью дозирующей трубки (марки Brooks instrument). Автоматическая система дозирования воздуха с массовым расходомером (марки Brooks instrument). Процесс управляется ПЛК Siemens. Параметры насоса и смесительной головки могут отображаться на дисплее. Возможность сохранения рецептов. Электропитание: 380 В, 50 Гц, 3 фазы. |
1 |
|
| 4 | Устройство водяного охлажденияУстройство водяного охлаждения мощностью 1,5 л.с. предназначено для охлаждения смесительной головки и оборудования при температуре воды от 5 до 15 °C.Конденсатор охлаждается воздухом, а показатели на дисплее ПЛК отображаются в градусах Цельсия (°C). Электропитание: 380 В, 50 Гц, 3 фазы. |
1 |
|
| 5 | Насос Easy Clean 10TОдин съемный насос Easy Clean.Изготовлен из нержавеющей стали SUS304 с аксессуарами и муфтами для соединения шлангов. Высокая производительность (расход воды 10 тонн в час) благодаря центробежному циркуляционному насосу SUS. |
1 | ![]() |
| 6 | Фильтр для продукта из нержавеющей стали SUS304 с трубками без кожуха и клапанамиКомплект включает один фильтр, трубки без кожуха и клапаны и т.д.В комплект входят трубки без кожуха от бака на 350 л для предварительного смешивания до буферного бака на 400 л. В комплект входят трубки без кожуха от буферного бака на 400 л к аэратору. В комплект входят трубки без кожуха от аэратора к дозатору на 5 метров. |
1 |
